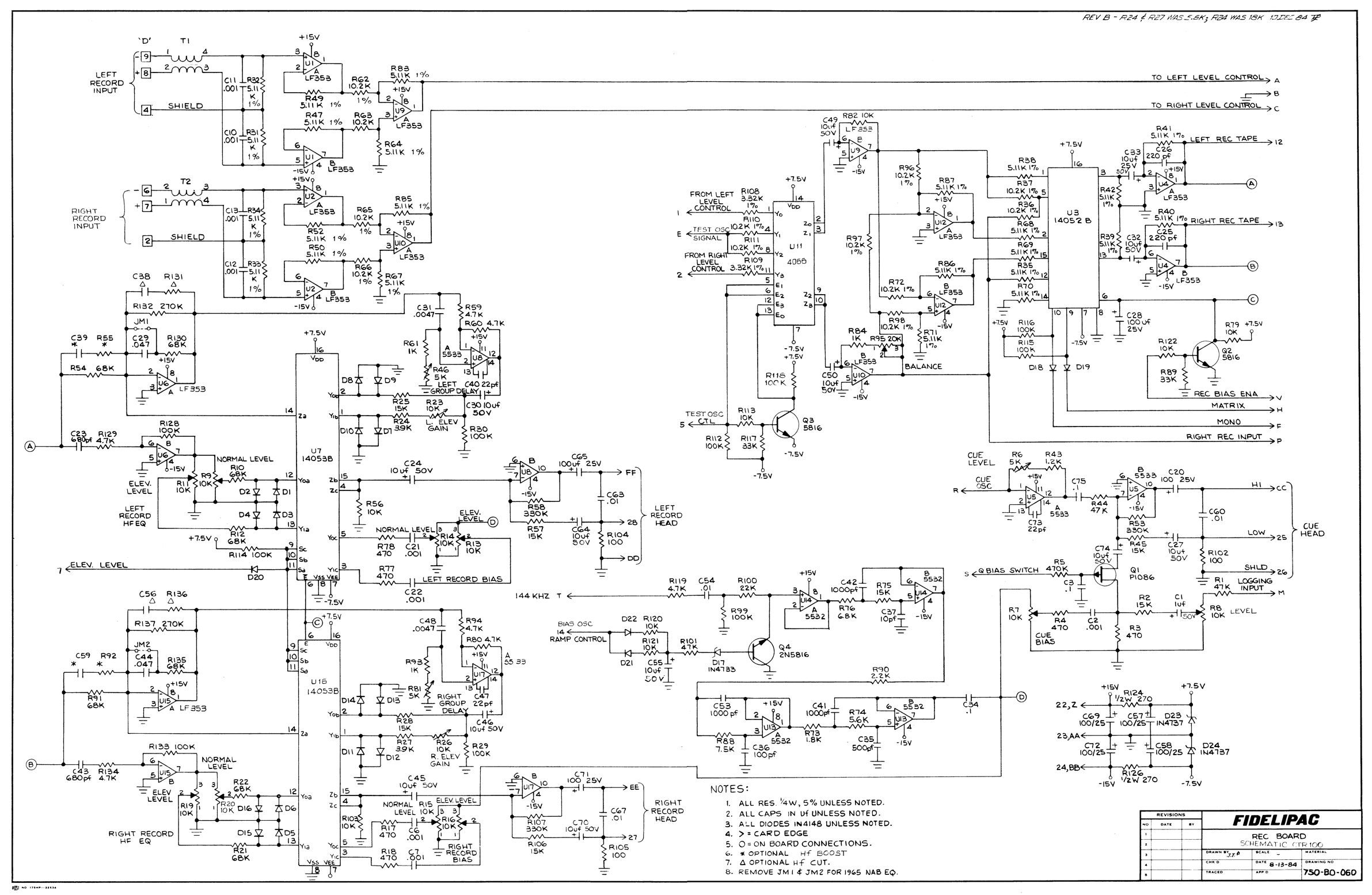
| 006-A6-103 | .01µF 25V D CAP | 16 | 32 | C4,5,8,9,51,14-19,52,61,62,66,68 |
| 011-A5-105 | 1µF 50V E CAP | 1 | 45 | C1 |
| 011-A5-106 | 10µF 50V E CAP | 13 | 46 | C24,27,30,32,33,45,46,49,50,55,64,70,74 |
| 011-A8-107 | 100µF 25V E CAP | 8 | 47 | C20,28,57,58,65,69,71,72 |
| 031-A3-100 | 10PF S CAP | 1 | 43 | C37 |
| 031-A3-101 | 100pF S CAP | 1 | 44 | C36 |
| 031-A3-102 | 1000PF S CAP | 3 | 40 | C41,42 |
| 031-A3-220 | 22PF S CAP | 3 | 38 | C40,47,73 |
| 031-A3-221 | 220PF S CAP | 2 | 39 | C25,26 |
| 031-A3-501 | 500PF S CAR | 1 | 41 | C35 |
| 031-A3-681 | 680PF S CAP | 2 | 42 | C23,43 |
| 041-A4-102 | .001µF 63V F CAP | 9 | 34 | C2,6,7,10-13,21,22 |
| 041-A4-103 | .01µF 63V F CAP | 4 | 36 | C54,60,63,67 |
| 041-A4-104 | .1µF 63V F CAP | 3 | 33 | C3,75,34 |
| 041-A4-472 | .0047µF 63V F CAP | 2 | 37 | C31,48 |
| 041-A4-473 | .047µF 63V CAP | 2 | 35 | C29,44 |
| 110-22-101 | 100 1/4W 5% CF RES | 3 | 21 | R102,104,105 |
| 110-22-102 | 1K 1/4W 5% RES CF | 3 | 5 | R84,61,93 |
| 110-22-103 | 10K 1/4W 5% RES CF | 8 | 4 | R56,79,82,122,103,113,120,121 |
| 110-22-104 | 100K 1/4W 5% RES CF | 10 | 11 | R29,30,99,112,114-116,118,128,133 |
| 110-22-122 | 1.2K 1/4W 5% RES CF | 1 | 8 | R43 |
| 110-22-153 | 15K 1/4W 5% RES CF | 7 | 2 | R2,25,28,45,57,75 106 |
| 110-22-182 | 1.8K 1/4W 5% CF RES | 1 | 23 | R73 |
| 110-22-183 | 18K 1/4W 5% RES CF | 1 | 9 | R44 |
| 110-22-222 | 2.2K 1/4W 5% CF RES | 1 | 14 | R90 |
| 110-22-223 | 22K 1/4W 5% CF RES | 1 | 16 | R100 |
| 110-22-274 | 270K 1/4W 5% CF RES | 2 | 18 | R132,137 |
| 110-22-333 | 33K 1/4W 5% RES CF | 2 | 12 | R89,117 |
| 110-22-334 | 330K 1/4W 5% RES CF | 3 | 10 | R53,58,107 |
| 110-22-471 | 470 1/4w 5% RES CF | 6 | 3 | R3,4,17,18,77,78 |
| 110-22-472 | 4.7K 1/4W 5% CF RES | 7 | 17 | R59,119,60,80,94,129,134 |
| 110-22-473 | 47K 1/4W 5% RES CF | 2 | 1 | R1,101 |
| 110-22-474 | 470K 1/4W 5% RES CF | 1 | 7 | R5 |
| 110-22-562 | 5.6K 1/4W 5% CF RES | 3 | 19 | R24,74,27 |
| 110-22-682 | 6.8K 1/4W 5% CF RES | 1 | 15 | R76 |
| 110-22-683 | 68K 1/4W 5% RES CF | 8 | 6 | R10,12,21,22,54,91,130,135 |
| 110-22-752 | 7.5K 1/4W 5% CF RES | 1 | 13 | R88 |
| 110-32-271 | 270 1/2W 5% CF RES | 2 | 27 | R124,126 |
| 120-20-10T | 10.2K 1/4W 1% MF RES | 12 | 25 | R36,37,62,63,65,66,72,96,97,98,110,111 |
| 120-20-33N | 3.32K 1/4W 1% MF RES | 2 | 26 | R108,109 |
| 120-20-51N | 5.11K 1/4W 1% MF RES | 24 | 24 | R31-35,38-42,47,49,50,52,64,67-71,83,85-87 |
| 13M-33-103 | 10K V TRIM | 12 | 29 | R7-9,13-16,11,19,20,23,26 |
| 13M-33-502 | 5K V TRIM | 1 | 28 | R6 |
| 13T-33-203 | 20K H TRIM | 1 | 31 | R95 |
| 13T-33-502 | 5K H TRIM | 2 | 30 | R46,81 |
| 200-A0-000 | 1N4148 DIODE | 21 | 50 | D1-16,18-22 |
| 204-A0-002 | 1N4733A DIODE | 1 | 51 | D17 |
| 204-A0-004 | 1N4737A DIODE | 2 | 522 | D23,24 |
| 210-A0-002 | GES5816 TRANSISTOR | 3 | 49 | Q2-4 |
| 220-A0-000 | P1086E FET | 1 | 48 | Q1 |
| 230-A0-000 | NE5532P IC | 2 | 61 | U13,14 |
| 230-A0-001 | NE5533P IC | 3 | 58 | U5,8,17 |
| 230-A0-008 | LF353 IC | 8 | 56 | U1,2,4,6,9,10,12,15 |
| 231-A0-024 | 4052 IC | 1 | 57 | U3 |
| 231-A0-025 | 4053 IC | 2 | 59 | U7,16 |
| 231-A0-026 | 4066 IC | 1 | 60 | U11 |
| 300-A0-000 | INDUCTOR | 2 | 53 | T1,2 |
| 407-B0-020 | REC AMP PCB CTR 100 | 1 | 66 |
| 410-A0-001 | 8 PIN DIP SOCKETS | 10 | 62 |
| 410-A0-002 | 14 PIN DIP SOCKETS | 4 | 63 |
| 410-A0-003 | 16 PIN DIP SOCKETS | 3 | 64 |
| 417-A0-000 | 9 PIN MALE SUB D CON | 1 | 55 | J1 |
| 41G-A0-001 | CONNECTOR HARDWARE | 1 | 67 |
| 420-A0-001 | JUMPER | 2 | 54 | JM1,2 |
| 5AB-A0-007 | BOARD PULLERS | 2 | 65 |
| 601-20-440 | NUT 4-40 | 2 | 69 |
| 60C-11-400 | £4 LOCK WASHER | 2 | 68 |
| 621-05-440 | SCREW 4-40 x 5/16 | 2 | 70 |